header img

Nádrže na pelety

Nádrže na pelety

Nádrže slouží jako zásobníky pelet pro automatické kotle na pelety. Umožňují velkou variabilitu umístění v prostoru kotelny. Jsou vyráběny ve třech základních velikostech 250 l, 500 l a 1000 l.

Objemy nádrží

Nádrž na pelety 250 l 
kód: H0204 - červená
kód: H0214 - modrá

Jedná se o nejmenší velikost, která je vhodná pro kotle do výkonu 25 kW v případě malé kotelny, kdy nemůžeme použit větší objem nádrže na pelety. V této nádrži je uloženo 163 kg pelet, tj. cca 730 kWh.

Nádrž na pelety 500 l
kód: H0201 - červená
kód: H0202 - modrá

Jedná se o střední velikost, kterou je ideální použit pro kotle do výkonu 40 kW. V této nádrži je uloženo 325 kg pelet, tj. cca 1463 kWh.

Nádrž na pelety 1000 l
kód: H0047 - červená
kód: H0046 - modrá

Jedná se o největší velikost, kterou je ideální použít pro kotle do výkonu 80 kW. V této nádrži je uloženo 650 kg pelet, tj. cca 2925 kWh.

Rozměry nádrží

nadrzr_250_l_72
nadrzr_500_l
nadrz_1000_l_72
d21p_p21_s_rakvi_dopravnik_nadrzKotel D21P s dopravníkem DA1500 a zásobníkem na pelety 500 l

Kompaktní nádrže na pelety s dopravníkem

Jedná se o sadu nádrže na pelety o objemu 240 l / 300 l / 400 l s dopravníkem DRA25, která je určena pro malé a stísněné kotelny. Umožňuje umístění nádrže v těsné blízkosti kotle tak, aby sestava zabírala málo místa.
V nádrži o užitečném objemu 240 l je uloženo 156 kg pelet, tj. cca 700 kWh. (10 pytlů / 15 kg)
V nádrži o užitečném objemu 300 l je uloženo 195 kg pelet, tj. cca 880 kWh. (13 pytlů / 15 kg)
V nádrži o užitečném objemu 400 l je uloženo 260 kg pelet, tj. cca 1170 kWh. (17 pytlů / 15 kg)


Sada AZPD určena pro kotle na pelety DxxP, DCxxSP(X), CxxSP

Sada AZPD 240 R (červená)    kód: H0283    
s dopravníkem DRA25 - 1,3 m (převodovka 25 W)

Sada AZPD 240 B (modrá)    kód: H0284    
s dopravníkem DRA25 - 1,3 m (převodovka 25 W)


Sada AZPD určena pro kotle na pelety DxxP, DCxxSP(X), CxxSP

Sada AZPD 300 R Design (červená)    kód: H0321   
s dopravníkem DRA25 - 1,3 m (převodovka 25 W)

Sada AZPD 300 B Design (modrá)    kód: H0322   
s dopravníkem DRA25 - 1,3 m (převodovka 25 W)


Sada AZPD určena pro kotle na pelety DxxP, DCxxSP(X), CxxSP

Sada AZPD 400 R Design (červená)    kód: H0445   
s dopravníkem DRA25 - 1,3 m (převodovka 25 W)

Sada AZPD 400 B Design (modrá)    kód: H0446  
s dopravníkem DRA25 - 1,3 m (převodovka 25 W)


Sada AZPU určena pro zplynovací kotle s úpravou pro hořák na pelety

Sada AZPU 240 C (červená)    kód: H0280   
s dopravníkem DRA25 - 1,7 m (převodovka 25 W)

Sada AZPU 240 M (modrá)    kód: H0281   
s dopravníkem DRA25 - 1,7 m (převodovka 25 W)


Sada AZPU určena pro zplynovací kotle s úpravou pro hořák na pelety

Sada AZPU 400 C Design (červená)    kód: H0447   
s dopravníkem DRA25 - 1,7 m (převodovka 25 W)

Sada AZPU 400 M Design (modrá)    kód: H0448   
s dopravníkem DRA25 - 1,7 m (převodovka 25 W)

Rozměry nádrží

azpd300_kompaktni_nadrze_na_peletyAZPD 300 Design
azpd240_kompaktni_nadrze_na_pelety AZPD 240
azpu240_kompaktni_nadrze_na_pelety_1 AZPU 240
azpd400_kompaktni_nadrze_na_pelety AZPD 400 Design
azpu400_kompaktni_nadrze_na_pelety AZPU 400 Design
c18s_azpu_400 Kotel na uhlí a dřevo C18S s úpravou pro hořák a kompaktním zásobníkem AZPU 400 M Design
azpd_300_kompaktni_nadrze_na_pelety_ukazky_pripojeni_zmensene Sada AZPD 300 R s kotlem DxxP
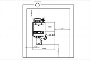
 Prostor kotelny s AZPD 300 a kotlem DxxP

Ukázka instalací kompaktních zásobníků na pelety

azpu_400_kompaktni_nadrze_na_pelety_ukazky_pripojeni_zmensene_1Sada AZPU 400 C s kotlem s úpravou pro hořák
 Prostor kotelny s AZPU 400
dcxxsp_azpd_300_kompaktni_nadrze_na_pelety_ukazky_pripojeni_zmenseneSada AZPD 300 R s kotlem DCxxSP(X)
dcxxsp_azpd_300_kotelna_kompaktni_nadrze_na_pelety_ukazky_pripojeni_zmensene_1Prostor kotelny s AZPD 300 a kotlem DCxxSP(X)

Nástavec pro zvětšení objemu zásobníku pelet kotlů DxxPX

D10P
Nástavec o výšce 200 mm (45 l) D10PX    kód: S1343  
Nástavec o výšce 300 mm (68 l) D10PX    kód: S1344  

D15PX, D20PX
Nástavec o výšce 200 mm (65 l) D15PX, D20PX    kód: S1233    
Nástavec o výšce 300 mm (95 l) D15PX, D20PX    kód: S1234   

D25PX
Nástavec o výšce 200 mm (90 l) D25PX    kód: S1315   
Nástavec o výšce 300 mm (135 l) D25PX    kód: S1316   

nastavec_nadrze_d_20px_x