Kompaktní automatické kotle na pelety
Teplovodní kotle ATMOS D10PX, D15PX, D20PX a D25PX jsou určeny pro komfortní vytápění rodinných domů, chalup  a ostatních objektů peletami. Kotle jsou dodávány jako kompletní zařízení se zabudovaným dopravníkem, zásobníkem na pelety  o objemu 65  l / 175  l / 215  l a hořákem na pelety ATMOS A25.
 Jejich kompaktní řešení umožňuje instalaci do malých kotelen.
Konstrukce kotle
Kotle jsou konstruovány pro elektronicky řízené spalování pelet s automatickým zapalováním paliva. Hořák na pelety je zabudován v přední části kotle ve dvířkách spodní spalovací komory. Tato komora je vyložena keramickými tvarovkami pro ideální dohoření plamene s vysokou účinností a slouží také jako prostor pro popel. V zadní části kotle je umístěn trubkový výměník osazený segmentovými brzdiči s funkcí hrubého (provozního) čištění bez nutnosti jejich vyndávání.
Těleso kotlů je vyrobeno jako svařenec  z ocelových plechů  o síle  3 -  5 mm. Zvenčí tepelně izolováno minerální plstí  a sibralovou izolací, vloženou pod plechové kryty vnějšího pláště kotlů.
 Ve vrchní části je umístěn zásobník paliva, ze kterého jsou pelety dopravovány do hořáku pomocí šnekového dopravníku. Dávkování paliva je řízeno zcela automaticky.  V přední části kotlů je panel  s hlavním vypínačem, vypínačem hořáku na pelety (L2) pro případ čištění, provozním (kotlovým regulačním) termostatem, bezpečnostním termostatem, teploměrem  a pojistkou 6,3 A.
 Kotle DxxPX jsou vybaveny odtahovým ventilátorem (mimo D10PX).
 Kotel není vybaven chladící smyčkou proti přetopení, neboť díky malému množství paliva  v hořáku nehrozí přetopení kotle při výpadku elektrické energie.
Kotle D10PX, D15PX, D20PX a D25PX splňují 5. emisní třídu, třída energetické účinnosti A+, požadavky na Ekodesign a jsou zařazeny mezi kotle pro Kotlíkové dotace.
Výhody speciálních kompaktních kotlů ATMOS nové konstrukce
- Kompaktní rozměry pro malé kotelny
- Vše v jednom – kotel a zásobník na pelety, dopravník a hořák
- Velká keramická spalovací komora
- Odtahový ventilátor – (mimo D10PX)
- Trubkový výměník s možností provozního čištění
- Vysoká účinnost nad 90 %
- Velký komfort vytápění – plně automatický provoz kotle
- Pohodlné vybírání popela – jednoduché čištění pouze zepředu
- Malé rozměry a nízká hmotnost
- Možnost osazení kotle pneumatickou dopravou pelet
- Možnost osazení hořáku pneumatickým čištěním
- Ekologické spalování – kotle dle ČSN EN 303-5 třídy 5, EKODESIGN 2015/1189
Hořák
Používaný hořák na pelety pro kotle D10PX, D15PX, D20PX a D25PX
Hořák na pelety ATMOS A25
Předepsané palivo: kvalitní dřevěné pelety (bílé) o průměru 6 až 8 mm, délce 5 až 25 mm a výhřevnosti 16 - 19 MJ.kg-1.
Displej hořáku: slouží k zobrazování aktuálního stavu hořáku a k nastavování jeho funkcí
Řízení hořáku: elektronickou regulací AC07X, která ovládá chod externího dopravníku, dvou zapalovacích spirál  a ventilátoru dle požadavků kotle  a topného systému. Elektronika je jištěná bezpečnostním termostatem kotle, bezpečnostním termostatem na přívodu pelet do hořáku, snímačem otáček ventilátoru  a fotocelou pro snímání plamene. Chod hořáku je signalizován na displeji elektronické regulace.
 Hořák  v provedení pro kotle DxxPX obsahuje navíc rozšiřovací modul AC07X-C - (R5, R6) pro ovládání pneumatického čištění hořáku nebo jiné možné aplikace.
Zapalování paliva: automatické za pomoci dvou elektrických zapalovacích spirál.
Základní funkce hořáku:
 Rezervní výstupy R a R2 pro ovládání odtahového ventilátoru kotle  a čerpadla  v kotlovém okruhu (zapojeno  z výroby)
 Možnost využití dvou rezervních výstupů R5  a R6 pro různé aplikace
 Možnost zapojení čtyř různých čidel TS, TV, TK  a TSV
 TK - čidlo teploty kotle (zapojeno  z výroby)
 TSV - čidlo tepoty spalin (zapojeno  z výroby)
 TS - čidlo spodní teploty na nádrži
 TV - čidlo vrchní teploty na nádrži
- řízení ventilátoru kotle z hořáku za pomoci rezervního výstupu (R) (zapojeno z výroby) (mimo D10PX)
- řízení kotlového čerpadla z hořáku za pomoci rezervního výstupu (R2) (zapojeno z výroby)
- řízení hořáku podle dvou teplot na vyrovnávací nádrži
Dávkování paliva: pro kotle DxxPX je určen speciální dopravník DRA25 zabudovaný přímo v kotli. Tento dopravník je řízen z elektronické regulace hořáku a dávkuje palivo ze zásobníku do hořáku.
Instalace
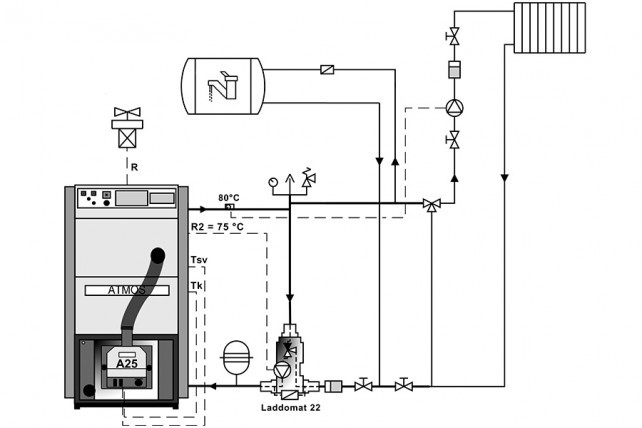
Předepsaným řešením je zapojení kotle s Laddomatem 22 nebo termoregulačním ventilem, který umožňuje vytvoření odděleného kotlového a topného (primárního a sekundárního) okruhu, tak abychom zajistili minimální teplotu vratné vody do kotle 65 °C. Čím vyšší bude teplota vratné vody do kotle, tím méně bude kondenzovat dehtů a kyselin, které poškozují těleso kotle. Teplota výstupní vody z kotle musí být trvale v rozsahu 80 - 90 °C.
 Další variantou je zapojení kotle  s trojcestným mísícím ventilem  a servopohonem řízeným  z regulace (např. ATMOS ACD01, ACD03, ACD04) pro udržení minimální teploty vratné vody do kotle (65 - 75 °C).
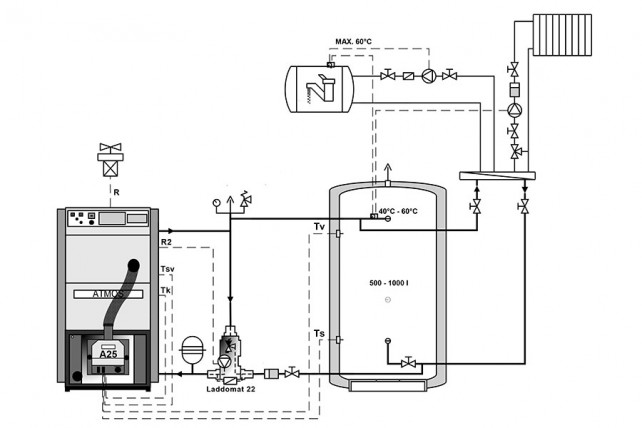
Kotle D10PX, D15PX, D20PX a D25PX doporučujeme vždy zapojit s vyrovnávací nádrží o objemu 500 až 1000 l. Při zapojení kotle s vyrovnávací (akumulační) nádrží je kotel nejlépe řízen podle dvou čidel TS a TV umístěných na nádrži. Pro ovládání hořáku pomocí dvou teplot na vyrovnávací (akumulační) nádrži je nutné tuto nádrž osadit dvěma čidly KTF 20 (čidla TV a TS).
Možné zapojení kotle DxxPX bez vyrovnávací nádrže a řízení kotlového čerpadla podle teploty kotle (čidla TK) z hořáku A25
Zapojení kotle DxxPX s vyrovnávací nádrží pro regulaci hořáku podle čidla TS a TV a řízení kotlového čerpadla podle teploty kotle (čidla TK) z hořáku A25
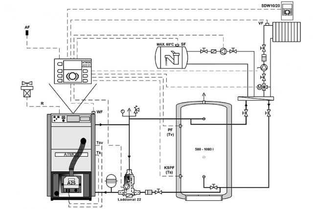
Zapojení kotle DxxPX s vyrovnávací nádrží a regulací ACD01
Provoz a regulace
Kotle jsou dodávány spotřebiteli se základní regulací výkonu kotle, která splňuje požadavky na komfort topení a jeho bezpečnost. Regulace zajišťuje požadovanou výstupní teplotu vody z kotle (80 - 90 °C). Kotle jsou vybaveny konektorem pro připojení čerpadla v kotlovém okruhu a funkcemi pro jeho ovládání přímo z regulace hořáku ATMOS A25.
Kotle DxxPX jsou z výroby osazeny čidly teploty kotle TK a teploty spalin TSV. Čidlo TK zasunuté v jímce kotle, čidlo spalin TSV zabudované do kouřového kanálu kotle, vše společně zapojeno přímo do konektoru hořáku. Hořák na pelety ATMOS A25 přímo ovládá odtahový ventilátor kotle (rezervou R) a čerpadlo v kotlovém okruhu (rezervou R2). Výstup R2 je z výroby dán do série s termostatem pro čerpadlo v kotlovém okruhu TČ70 °C.
Při doporučeném zapojení kotle s vyrovnávací (akumulační) nádrží je kotel nejlépe řízen podle dvou čidel TS a TV umístěných na nádrži. Spínání čerpadel v systémovém okruhu není v tomto případě závislé na teplotě kotle, proto je řešíme podle potencionálních potřeb systému.
Ovládací panel se standardní regulací
Každý kotel je možné vybavit u zákazníka elektronickou regulací ATMOS ACD 01 pro řízení celého topného systému v závislosti na venkovní teplotě, pokojové teplotě a čase.
Přikládání paliva
Kotel je vybaven integrovaným zásobníkem paliva, který je nutno doplňovat v intervalu 1 - 3 dny.
Objeví li se na displeji hořáku alarmové hlášení ALARM PELLETS - DOPLNIT PELETY, je nutné doplnit pelety do zásobníku paliva. Odklopte víko zásobníku ve vrchní části kotle a doplňte pelety. Po doplnění pelet není nutné načerpat pelety do dopravníku! Kotel je vybaven speciální funkcí proti jeho úplnému vyprázdnění.
V případě, že interval doplňování paliva bude pro vaše potřeby příliš krátký, je možné ke kotli dokoupit nástavec zásobníku  o výšce 200 mm (45  l pro D10PX - kód: S1343) (65  l pro D15PX  a D20PX - kód: S1233) (90  l pro D25PX - kód: S1315) nebo 300 mm (68  l pro D10PX - kód: S1344) (95  l pro D15PX  a D20PX - kód: S1234) (135  l pro D25PX - kód: S1316). Nástavce je možné skládat na sebe. Ke kotli je však nutné dokoupit schůdky pro pohodlné doplňování paliva dle všech platných bezpečnostních předpisů.
 Ideálním řešením je však doplnění kotle  o pneumatickou dopravu pelet ATMOS APS 150 SPX (D10PX) / ATMOS APS 250 SPX (D15PX  a D20PX) / ATMOS APS 250 SPX2 (D25PX) pro pohodlné automatické doplňování paliva  z libovolného zásobníku, např. na celou sezónu (textilní silo, samostatná místnost).
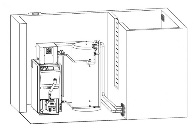
Prostor kotelny s kotlem DxxPX a zásobníkem s vícebodovým nasáváním pelet pneumatickou dopravou ATMOS APS 250 SPX(2)
Čištění kotle
Čištění kotle  a hořáku je nutné provádět pravidelně  a důkladně jednou za  5 až 14 dnů podle kvality pelet  a nastavení výkonu.
 
 Kotle jsou určeny pouze pro kvalitní bílé pelety  z měkkého dřeva bez kůry  o průměru   6 -  8 mm,  o délce 10 - 25 mm  a výhřevnosti 16 - 19 MJ.kg-1. Kotel není určen pro pelety, které se zpékají ve spalovací komůrce hořáku.  V takovém případě je nutné spalovací komůrku hořáku čistit jednou denně nebo lze hořák na pelety ATMOS A25 vybavit pneumatickým čištěním spalovací komůrky. Toto čištění ocení především ti, kteří spalují méně kvalitní pelety, které vytvářejí určité spečence.
Pohodlné vybírání popela – jednoduché čištění pouze zepředu. Popel vybereme z celé spalovací komory pomocí půlkulatého popelníku (příslušenství kotle). Popelník zasuneme do kotle na doraz, přiražením o zadní stěnu popel nahrneme do popelníku a vytáhneme. Popelník v kotli nikdy nenecháváme!
Kotle DxxPX jsou vybaveny funkcí provozního čištění trubkového výměníku. Pro provozní čištění trubkového výměníku a brzdičů použijeme madlo na čistícím víčku v zadní části kotle ukryté pod krytem. Opakovaným vytažením a puštěním madla dojde k oklepání popílku z brzdičů a oškrábání stěn trubkovnice.
Technické informace

Legenda k nákresu kotle
| 1. | Těleso kotle | 16. | Hlavní vypínač (červený) (kód: S0092) | 
| 2. | Dvířka čistící (kód: S0459) | 17. | Regulační (kotlový) termostat (kód: S0021) | 
| 3. | Hořák na pelety ATMOS A25 (kód: H0044) | 18. | Vypínač hořáku (černý) (kód: S0102) | 
| 4. | Ovládací panel | 19. | Bezpečnostní termostat (kód: S0068) | 
| 5. | Šnekový dopravník | 20. | Pojistka T6,3A/1500 - typ | 
| 6. | Výplň dvířek - Sibral velký s otvorem pro hořák (kód: S0266) | 21. | Kryt čistícího víčka | 
| 7. | Těsnění dvířek 18 x 18 mm (kód: S0240) | 22. | Ventilátor - odtahový (mimo D10PX) | 
| 8. | Uzávěr (kód: S1047) | 23. | Kondenzátor pro odtahový ventilátor - 1μF | 
| 9. | Izolace pod hořák (kód: S0164) | 24. | Čistící víčko zadního kanálu | 
| 10. | Zásobník paliva 65 l (D10PX) / 175 l (D15PX, D20PX) / 215 l (D25PX) | 25. | Víko zásobníku | 
| 11. | Trubkový výměník | 26. | Propojovací hadice hořáku - Ø 65 mm - délka 550 mm (D15PX, D20PX, D25PX) - délka 480 mm (D10PX) | 
| 12. | Brzdič s čistícím táhlem a madlem | K | hrdlo kouřovodu | 
| 13. | Žáruvzdorná tvarovka - dno topeniště + zadní čelo pro D10PX (kód: DC0217) | L | výstup vody z kotle | 
| 14. | Žáruvzdorná tvarovka - clona | M | vstup vody do kotle | 
| 15. | Teploměr (kód: S0041) | N | nátrubek pro napouštěcí kohout | 
Rozměry kotlů
| Typ kotle | D10PX | D15PX | D20PX | D25PX | 
| A | 1221 | 1411 | 1411 | 1411 | 
| B1 | 995 | 1145 | 1145 | 1345 | 
| B2 | 1150 | 1447 | 1447 | 1647 | 
| C | 594 | 674 | 674 | 674 | 
| D | 1012 | 1213 | 1213 | 1213 | 
| E | 128/130 | 150/152 | 150/152 | 150/152 | 
| G | 140 | 140 | 140 | 140 | 
| H | 950 | 1150 | 1150 | 1150 | 
| CH | 166 | 166 | 166 | 166 | 
| I | 180 | 180 | 180 | 180 | 
| J | 6/4" | 6/4” | 6/4” | 6/4” | 
Technické údaje
| Typ kotle | D10PX | D15PX | D20PX | D25PX | |
| Výkon kotle | kW | 3 - 10 | 4,5 - 15 | 4,5 - 20 | 4,5 - 24 | 
| Výhřevná plocha | m2 | 1,5 | 1,9 | 1,9 | 2,2 | 
| Objem palivové šachty (zásobníku) | dm3 (l) | 65 | 175 | 175 | 215 | 
| Rozměr plnícího otvoru | mm | 542x480 | 542x480 | 542x480 | 542x480 | 
| Předepsaný tah komína | Pa / mbar | 13 / 0,13 | 15 / 0,15 | 16 / 0,16 | 17 / 0,17 | 
| Maximální pracovní přetlak vody | kPa / bar | 250 / 2,5 | 250 / 2,5 | 250 / 2,5 | 250 / 2,5 | 
| Hmotnost kotle | kg | 287 | 345 | 345 | 418 | 
| Průměr odtahového hrdla | mm | 128/130 | 150/152 | 150/152 | 150/152 | 
| Krytí el. části | IP | 20 | |||
| Elektrický příkon - při spuštění - při provozu | 522/1042 42 | 572/1092 92 | 572/1092 92 | 572/1092 92 | |
| Účinnost kotle | % | 91,6 | 92,7 | 91,5 | 91,8 | 
| Třída kotle | 5 | 5 | 5 | 5 | |
| Třída energetické účinnosti | A+ | A+ | A+ | A+ | |
| Teplota spalin při jmenovitém výkonu (pelety) | °C | 117 | 118 | 142 | 145 | 
| Hmotnostní průtok spalin při jmenovitém výkonu (pelety) | kg/s | 0,008 | 0,011 | 0,015 | 0,018 | 
| Předepsané palivo (preferované) | kvalitní pelety o průměru 6 - 8 mm o výhřevnosti 16 - 19 MJ.kg-1 | ||||
| Průměrná spotřeba paliva - pelet při jmenovitém výkonu | 2,3 | 3,6 | 4,5 | 5,4 | |
| Objem vody v kotli | l | 50 | 76 | 76 | 85 | 
| Hydraulická ztráta kotle | mbar | 0,19 | 0,20 | 0,20 | 0,22 | 
| Minimální objem vyrovnávací nádrže | l | 300 | 500 | 500 | 500 | 
| Připojovací napětí | V/Hz | 230/50 | |||
| Předepsaná minimální teplota vratné vody  v provozu je 65 °C. Předepsaná provozní teplota kotle je 80 - 90 °C. | |||||
 
 
            























