Kombinované kotle na zplynování dřeva nebo uhlí s hořákem na pelety
Řada kombi kotlů ATMOS DC18SP, DC25SP, DC30SPX, DC32SP umožňuje ekologické spalování dřeva na principu generátorového zplynování v kombinaci s hořákem na pelety (DCxxSP(SPX) - kód: H0048). Kotel umožňuje podle typu střídání paliv, ruční topení dřevem a plně automatické topení topíme peletami. V případě potřeby je samozřejmostí, možnost koupit kotel bez hořáku, s tím, že si jej pořídíme později anebo jej použijete z minulého kotle.
Kotel je konstruován jako těleso se třemi nad sebou posazenými komorami. Vrchní dvě komory slouží ke zplynování dřeva, tak jak to známe u klasických zplynovacích kotlů, které vyrábíme standardně. Třetí, nejspodnější komora je zepředu osazena požadovaným hořákem a vyložena keramikou pro optimální kvalitu spalování. Spalovací systémy jsou od sebe odděleny vodním pláštěm, navzájem se tak příliš neovlivňují, a tím dosahuje kotel vysoké účinnosti při topení jednotlivými palivy. Odvod spalin do komína je řešen jedním výstupním hrdlem, a proto vystačíme s jedním komínem.
Nové kombi kotle ATMOS C18SP a C25SP umožňují ekologické spalování hnědého uhlí a dřeva jako náhradního paliva (na zátop) na principu generátorového zplynování v kombinaci s hořákem na pelety - kód: H0048.
Kotel je konstruován jako těleso se třemi nad sebou posazenými komorami. Vrchní dvě komory slouží ke zplynování hnědého uhlí, tak jak to známe u klasických zplynovacích kotlů, které vyrábíme standardně (CxxS(T)). Třetí, nejspodnější komora je zepředu osazena hořákem na pelety ATMOS A25.
Výhody kotlů ATMOS
- možná kombinace jednotlivých druhů paliv - střídání paliva bez úprav na kotli dřevo + pelety, uhlí + pelety (CxxSP)
- vysoká účinnost při jednotlivých palivech - prakticky stejná jako u speciálních kotlů na pelety (až 92,3 % při jmenovitém výkonu)
- levnější řešení - sečteme-li náklady na pořízení dvou kotlů, jejich zapojení a odkouření (komín) zjistíme, že jeden kotel ač dražší je ekonomicky výhodnější
- malý zastavěný prostor - oproti více kotlům
- jeden komín a kouřovod
- ekologický provoz – kotel dle ČSN EN 303-5 třídy 5, EKODESIGN 2015/1189 (DC18SP, DC25SP, DC30SPX, DC32SP, C18SP, C25SP)
- dotovaný kotel – (DC18SP, DC25SP, DC30SPX, DC32SP)
- kotel je vybaven funkcí automatického startu hořáku na pelety po dohoření dřeva/uhlí
Regulace a řízení
Provoz kotle je řízen zcela automaticky na požadovanou výstupní teplotu vody, tak aby byla zajištěna co nejvyšší účinnost kotle a nejlepší kvalita spalování. K tomu slouží:
- Regulátor tahu HONEYWELL
- Kotlový (regulační) termostat
- Spalinový termostat
- Termostat na čerpadlo
- Hlavní vypínač a přepínací vypínač provozu kotle
Kotle a hořáky DCxxSP(X) a CxxSP jsou v provedení Model od 2018 vybaveny funkcí automatického uzavření nebo otevření přívodu vzduchu do kotle/hořáku, pomocí servopohonu, při topení dřevem nebo peletami.
Kotle jsou vybaveny čidlem teploty spalin AGF2 a čidlem teploty vody kotle KTF20 pro funkci automatického startu hořáku po dohoření dřeva. Dále jsou kotle vybaveny dvěma čidly (TV a TS) KTF20 pro ovládání hořáku podle dvou teplot na akumulační nádrži. Celý komplet je tak prodáván v maximální výbavě, pro plně automatický režim a jednoduchou instalci „plug and play“.
Ovládací panel se standartní regulací
Složení panelu:
Hlavní vypínač, bezpečnostní termostat, teploměr, kotlový (regulační) termostat a spalinový termostat
Elektromechanická regulace je optimálním řešením řízení provozu kotle (ventilátoru) jednoduchým způsobem.
Provedení panelu se standartní regulací je základním provedením pro všechny vyráběné kotle
Každý kotel je možné vybavit u zákazníka elektronickou regulací ATMOS ACD 01 pro řízení celého topného systému v závislosti na venkovní teplotě, pokojové teplotě a čase. Tato regulace je schopna řídit i samotný kotel s ventilátorem s mnoha dalšími funkcemi.
Technické informace
NÁKRES PRO KOTLE DCxxSP(X)

LEGENDA K NÁKRESU PRO KOTLE DCxxSP(X)
| 1. | Těleso kotle | 20. | Vypínač s kontrolkou |
| 2. | Dvířka plnící (vrchní) | 21. | Brzdič (pouze DC30SPX) |
| 3. | Dvířka popelníková (prostřední) | 22. | Regulátor výkonu - Honeywell FR 124 |
| 4. | Odtahový ventilátor | 23. | Chladící smyčka proti přetopení |
| 5. | Žáruvzdorná tvarovka - tryska | 24. | Regulační termostat |
| 6. | Ovládací panel | 25. | Výplň dvířek - Sibral |
| 7. | Bezpečnostní termostat (Pozor - při přetopení nutno zamáčknout) | 26. | Těsnění dvířek - šňůra 18x18 |
| 8. | Regulační klapka | 27. | Žáruvzdorná tvarovka - půlměsíc (clona dvířek) |
| 9. | Žáruvzdorná tvarovka - prodloužení kulového prostoru - (pelety) | 28. | Hořák na pelety ATMOS A25 (pro modely DCxxSP(X), CxxSP) - Kód: H0048 |
| 10. | Žáruvzdorná tvarovka - kulový prostor - (pelety) | 31. | Žáruvzdorná tvarovka - kul. prostor - (dřevo) |
| 11. | Těsnění - trysky - 12x12 | 32. | Žáruvzdorná tvarovka - zadní čelo kul. prostoru - (dřevo) |
| 12. | Dvířka - pro hořák na pelety (spodní) | 33. | Termostat na čerpadlo |
| 13. | Roztápěcí záklopka | 34. | Pojistka (6,3A) T6,3A/1500 - typ H |
| 14. | Žáruvzdorná tvarovka - zadní čelo kulového prostoru - (pelety) | 35. | Spalinový termostat |
| 15. | Čistící víko | 36. | Přepínací vypínač I-0-II (dřevo-0-pelety) |
| 16. | Clona primárního vzduchu | 37. | Koncový spínač s tlačítkem |
| 17 | Táhlo zatápěcí záklopky | 38. | Kondenzátor pro odtahový ventilátor - 1 μF |
| 18. | Teploměr | 39. | Sibralové těsnění pod hořák |
| 19. | Clona topeniště | 40. | Měřící místo pro analyzátor spalin |
| 41. | Servopohon Belimo s klapkou |
NÁKRES PRO KOTEL C18SP

NÁKRES PRO KOTEL C25SP

LEGENDA K NÁKRESU PRO KOTEL CxxSP
| 1. | Těleso kotle | 27. | Žáruvzdorná tvarovka - půlměsíc (clona dvířek) - uhlí |
| 2. | Dvířka plnící (vrchní) | 28. | Hořák na pelety ATMOS A25 (pro modely DCxxSP(X), CxxSP) - Kód: H0048 |
| 3. | Dvířka popelníková (prostřední) | 29. | Výplň dvířek - Sibral - s otvorem pro hořák |
| 4. | Odtahový ventilátor | 30. | Clona přívodu primárního vzduchu |
| 5. | Žáruvzdorná tvarovka - kostka | 31. | Žáruvzdorná tvarovka - kulový prostor - pelety |
| 6. | Ovládací panel | 32. | Žáruvzdorná tvarovka - zadní čelo kulového prostoru - pelety |
| 7. | Bezpečnostní termostat (Pozor - při přetopení nutno zamáčknout) | 33. | Termostat na čerpadlo |
| 8. | Regulační klapka | 34. | Pojistka (6,3A) T6,3A/1500 - typ H |
| 9. | Rošt (segment) | 35. | Spalinový termostat |
| 10. | Žáruvzdorná tvarovka - kulový prostor - uhlí | 36. | Přepínací vypínač I-0-II (uhlí-0-pelety) |
| 11. | Roštová trubka | 37. | Koncový spínač s tlačítkem |
| 12. | Dvířka - pro hořák na pelety (spodní) | 38. | Kondenzátor pro odtahový ventilátor - 1 μF |
| 13. | Roztápěcí záklopka | 39. | Sibralové těsnění pod hořák |
| 14. | Žáruvzdorná tvarovka - zadní čelo kulového prostoru - uhlí | 40. | Měřící místo pro analyzátor spalin |
| 15. | Čistící víčko (vrchní, prostřední, spodní) | 41. | Regulace sekundárního vzduchu |
| 16. | Roštovací páka | 42. | Regulace primárního vzduchu |
| 17 | Táhlo zatápěcí záklopky | 43. | Těsnění dvířek - šňůra 18x18 - velká dvířka |
| 18. | Teploměr | 44. | Clona topeniště - zadní |
| 19. | Clona rámečku / clona topeniště - přední | 45. | Trubkový výměník (trubkovnice) |
| 20. | Vypínač s kontrolkou | 46. | Servopohon Belimo s klapkou |
| 22. | Regulátor výkonu - Honeywell FR 124 | K | hrdlo kouřovodu |
| 23. | Chladící smyčka proti přetopení | L | výstup vody z kotle |
| 24. | Regulační termostat | M | vstup vody do kotle |
| 25. | Výplň dvířek - Sibral | N | nátrubek pro napouštěcí kohout |
| 26. | Těsnění dvířek - šňůra 18x18 | P | nátrubek pro čidlo ventilu ovládajícího chladící smyčku |
| Rozměry | C18SP | C25SP | DC18SP | DC25SP | DC30SPX | DC32SP |
| A | 1665 | 1735 | 1665 | 1665 | 1665 | 1742 |
| B | 757 | 757 | 757 | 957 | 957 | 957 |
| C | 643 | 643 | 643 | 643 | 643 | 678 |
| D | 1375 | 1216 | 1375 | 1375 | 1375 | 1448 |
| E | 150/152 | 150/152 | 150/152 | 150/152 | 150/152 | 150/152 |
| F | 65 | 65 | 65 | 65 | 65 | 70 |
| G | 207 | 207 | 207 | 207 | 207 | 184 |
| H | 1436 | 1506 | 1436 | 1436 | 1436 | 1507 |
| CH | 212 | 212 | 212 | 212 | 212 | 212 |
| I | 212 | 212 | 212 | 212 | 212 | 212 |
| J | 6/4" | 6/4" | 6/4" | 6/4" | 6/4" | 6/4" |
Hořáky
Používaný hořák na pelety pro kotle DC18SP, DC25SP, DC30SPX, DC32SP, C18SP a C25SP
HOŘÁK NA PELETY ATMOS A25 (pro modely DCxxSP(X), CxxSP) - Kód: H0048
Hořák v provedení pro modely DCxxSP(X)a CxxSP jsou vybaveny funkcí automatického uzavření nebo otevření přívodu vzduchu do hořáku, pomocí servopohonu, při topení dřevem nebo peletami.
Předepsané palivo: kvalitní dřevěné pelety (bílé) o průměru 6 až 8 mm, délce 5 až 25 mm a výhřevnosti 16 - 19 MJ.kg-1.
Displej hořáku: slouží k zobrazování aktuálního stavu hořáku a k nastavování jeho funkcí
Řízení hořáku: elektronickou regulací AC07X, která ovládá chod externího dopravníku, dvou zapalovacích spirál a ventilátoru dle požadavků kotle a topného systému. Elektronika je jištěná bezpečnostním termostatem kotle, bezpečnostním termostatem na přívodu pelet do hořáku, snímačem otáček ventilátoru a fotocelou pro snímání plamene. Chod hořáku je signalizován na displeji elektronické regulace.
Zapalování paliva: automatické za pomoci dvou elektrických zapalovacích spirál.
Základní funkce hořáku:
Možnost využití dvou rezervních výstupů R a R2 pro různé aplikace
Možnost zapojení čtyř různých čidel TS, TV, TK a TSV
TS - čidlo spodní na nádrži
TV - čidlo vrchní na nádrži
TK - čidlo kotle nebo prostřední čidlo na nádrži
TSV - čidlo spalin nebo solárního panelu
- řízení hořáku podle dvou teplot na vyrovnávací nádrži
- řízení ventilátoru kotle z hořáku za pomoci rezervního výstupu
- řízení kotlového čerpadla z hořáku za pomoci rezervního výstupu
- ovládání solárního systému přímo z hořáku
- automatický startu hořáku po dohoření dřeva u kotlů DCxxSP(X) a CxxSP
Hořáky jsou určeny pouze pro kvalitní bílé pelety z měkkého dřeva bez kůry o průměru 6 - 8 mm, o délce 10 - 25 mm a výhřevnosti 16 - 19 MJ.kg-1. Hořák není určen pro pelety, které se zpékají ve spalovací komůrce hořáku. V takovém případě je nutné spalovací komůrku hořáku čistit jednou denně
Pro hořák ATMOS A25 jsou určeny tyto dopravníky:
- Šnekový dodpravník pro hořák ATMOS A25 - DA1500 o délce 1,5 m a průměru 75 mm
- Šnekový dodpravník pro hořák ATMOS A25 - DA2000 o délce 2 m a průměru 75 mm
- Šnekový dodpravník pro hořák ATMOS A25 - DA2500 o délce 2,5 m a průměru 75 mm
- Šnekový dodpravník pro hořák ATMOS A25 - DA3000 o délce 3 m a průměru 75 mm
- Šnekový dodpravník pro hořák ATMOS A25 - DA4000 o délce 4 m a průměru 75 mm
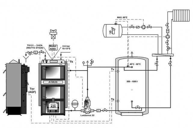
Instalace a zapojení
DOPORUČENÉ ZAPOJENÍ S LADDOMATEM 22 A VYROVNÁVACÍ (AKUMULAČNÍ) NÁDRŽÍ
Doporučeným zapojením je zapojení kotle s Laddomatem 22 nebo termoregulačním ventilem s vyrovnávací nádrží o objemu 500 až 1000 l. Další možností je instalace kotle s akumulačními nádržemi o potřebném objemu (např. 2000 l), které navíc umožňují vytápění akumulační elektřinou nebo připojení solárních panelů.